Description
Description
✅ deutlich direktere Annahme von Gasbefehlen
✅ längere Lebensdauer als OEM-Teile
ALLE VORTEILE AUF EINEN BLICK
Werksseitige Differentialbuchsen sind aus Komfortgründen meist weich und bieten der Verbindung ein gewisses Maß an Spiel. Dies hat zur Folge, dass Gasbefehle träge übergeben werden, da die Kraft erst in das Lager wandert. Mit starren Buchsen werden Gasbefehle direkt und ohne Verzögerung an die Hinterräder gegeben.
Gerade im Drift- und Rennsport sind diese Komponenten extremsten Belastungen ausgesetzt, für welche die OEM-Teile gar nicht ausgelegt wurden. Das IRP Differentialaufhängung Buchsen Set hält natürlich deutlich mehr aus und verringert somit die Gefahr eines Ausfalls während des Wettbewerbs.
DETAILS
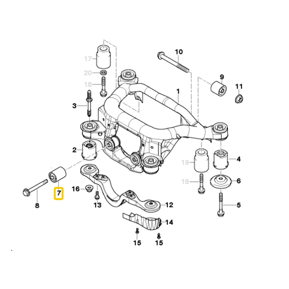
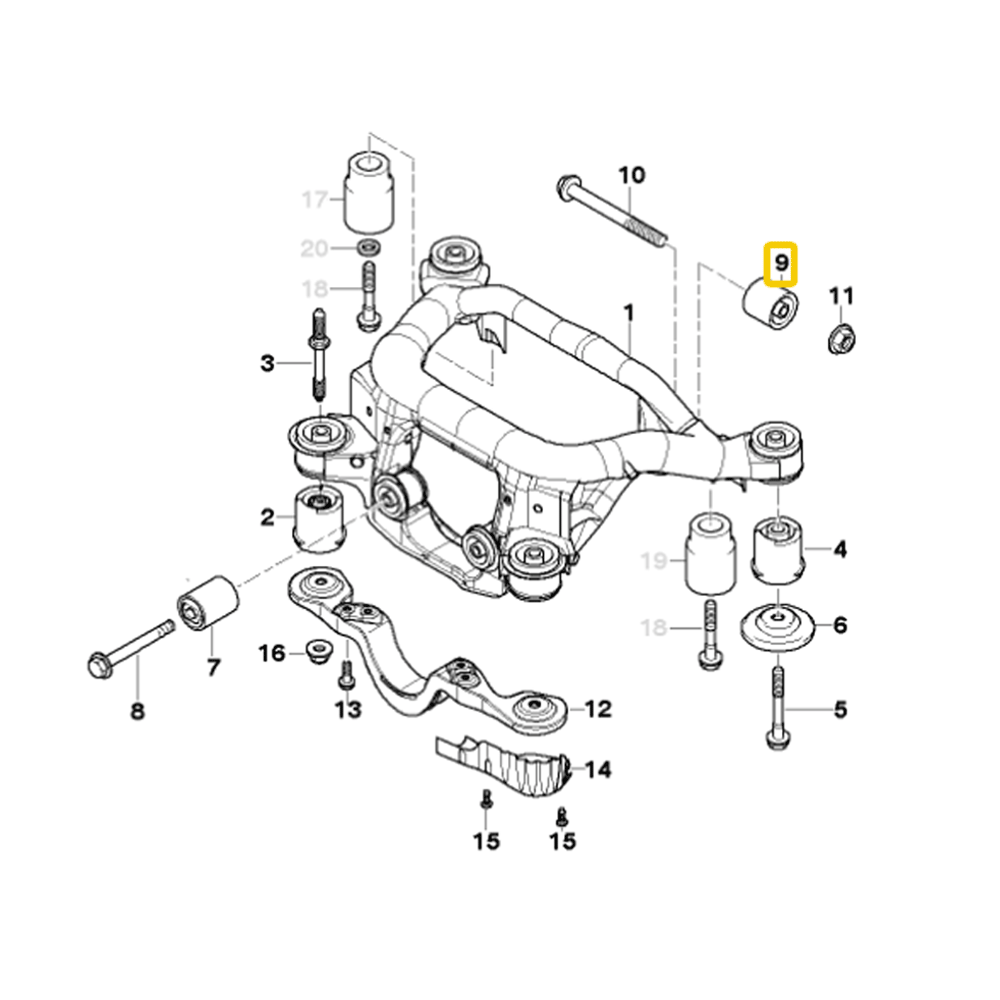
OEM-Teilenummer: 33176770788, 33176751808
Lieferumfang: 3 Buchsen
TECHNISCHE DATEN
| Hersteller | IRP |
| Material | Aluminium |
| Passend für | BMW E46 (passt nicht bei M-Modellen!) |
Lieferzeit
7-10 Werktage (ab Zahlungseingang)
Zahlung & Finanzierung
An der Kasse findest du alle Bezahlmöglichkeiten und Anbieter für Finanzierungen.
Hersteller: Individual Racing Parts UAB, Vyčio Kryžiaus g. 165A, Jonučiai, Kaunas district, 53305Littauen, info@irp.lt

